电动机控制电动机控制设备故障1.小型电动机控制设备故障小型电动机控制一般采用刀开关,刀开关负荷侧加装熔断器
主要故障是静触头烧坏,静触头与导线连接处的接线螺栓烧坏
熔断器装设熔丝的螺栓烧坏,有时连接导线接触不良发热而烧断

上述故障原因主要是安装不符合要求
所以,要求导线截面积要大,插入刀开关接线孔的深度要深,固定螺丝要拧紧
因铜、铝两种材料接触易使铝导线腐蚀,接触电阻增大,易发热烧坏接触处

为此,可在铜材料上镀一层锡,就避免了烧坏接触处的故障发生
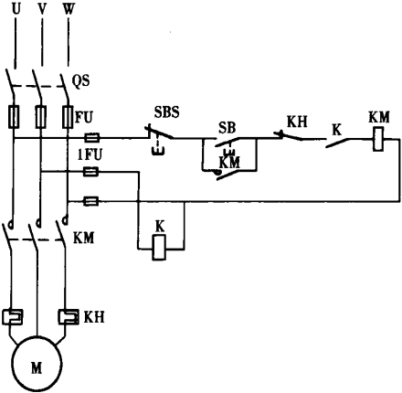
2.自动控制线路为了节省投资,小型电动机控制多采用刀开关加熔断器,或者采用石板闸
但是,这种控制在电动机启动和停止时分断能力差,不能实现远方控制
如果在频繁操作的场所,触头处易发热烧坏,因而采用自动控制线路,接线如图1所示
这种控制线路常见故障是:①一次回路,交流接触器动、静触头接触不良、接触压力不足、磨损严重、表面有污脏物质或者表面逐渐形成氧化层等
因而使动、静触头表面接触电阻增大
由于电流的热效应,使接触处的温度升高,造成动、静触头接触处过热,最后烧毁接触器
②铝导线与交流接触器连接,易腐蚀,使接触电阻增大以致过热并烧断导线和设备
可有针对性采取措施,预防事故的发生
QS—刀开关;KM—交流接触器;SB—启动按钮;SBS—停止按钮;FU—熔断器;KH—热继电器;K—中间继电器
措施之一:加强在电机运行中的监视,认真巡视检查,重点观察主回路各元件的过热情况,在易发热的有关部位贴示温腊片,有条件的也可采用测温仪带电测温
措施之二:提高安装和检修质量
新设备安装时,要符合规范要求
如果电动机控制是采用定型盘(柜),安装时应按施工图纸布置,按顺序将盘(柜)放在基础槽钢上,用M12镀锌螺丝固定,基础槽钢必须可靠接地
一次线连接时,要把盘上涂漆母线的漆皮刮掉,连接母线的螺丝应垫一个弹簧垫圈和一个平垫,固定螺丝应拧紧
对于二次线的连接,每根连接小线头应弯成圆圈,用镀锌螺丝、小平垫圈、弹簧垫连接在每个端子排上
每一个接线端子最多连接两根导线,导线如系多股,应镀锡,不准有断股
不论一次或二次回路接线,施工完毕后,均应重新把螺丝再紧一次
对各元件应试验,各参数符合要求后,才可合闸送电
检修质量是安全运行的可靠保证
因此,应对设备定期检修,对于已损伤严重、烧伤面大的元件要及时更换
拉紧弹簧因交流接触器本体过热而导致弹簧过热,使弹簧的拉力降低,应及时更换弹簧
交流接触器另一个常见故障是磁铁的吸力不足而使主触头接触的压力减小
对于这种故障,要使吸合磁铁的接触面大,表面污物要清除掉,电源电压达到磁铁线圈的额定值
磁铁的另一个缺陷是交流声音太大,可以改成直流无声运行
二次线故障,通常是继电器触点接触不良,有时触点烧坏
如图2中的K或KH触点断开后,交流接触器启动回路断开,电动机启动不了,此时应先检查电动机启动回路
可用自制通灯逐级检查,查出回路断开的准确点后,进行处理,多数是更换继电器
一般情况下,启动按钮、停止按钮故障较小
二次故障中常见的是交流接触器辅助触点烧坏,电动机按下启动按钮,电动机能启动,但一松开启动按钮后,失去闭锁功能而电动机停机
此类故障,可以倒到另一对常开触点即可
QS—刀开关;1FU—熔断器;SBS—停止按钮;SB—启动按钮;K—中间断电器;KM—交流接触器;KH—热继电器;FU—熔断器
另一个经常遇到的故障是二次回路熔断器熔丝熔断
表现为按下启动按钮SB后,电动机不启动,交流接触器KM吸力磁铁不吸合
可把熔断器取下,检查熔丝是否熔断,如果熔丝熔断,换上熔丝后重新安上,再按下启动按钮,电动机就开始启动
如果电动机不启动,则故障点不在此处,再重新去检查其他元件是否有故障,查出故障并进行处理,直至电动机能启动为止
以上内容由大学时代综合整理自互联网,实际情况请以官方资料为准。