整流桥移相全桥 PWM DC/DC 变换器基本的 DC/DC 全桥变换器由全桥逆变器和输出整流滤波电路构成,右图 显示了PWM DC/DC 全桥变换器的电路基本拓扑结构及主要波形
Vin是直流输入电压,Q1&D1~Q4&D4构成变换器的两个桥臂,高频变压器 TR 的原副边匝比为 K,DR1和 DR2是输出整流二极管,Lf是输出滤波电感,Cf是输出滤波电容,RL是负载
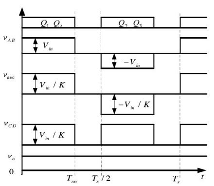
通过控制四个开关管 Q1~Q4,在 A、B 两点得到一个幅值为 Vin的交流方波电压,经过高频变压器的隔离变压后,在变压器副方得到一个幅值为 Vin/K 的交流方波电压,然后通过由 DR1和 DR2构成的输出整流桥,在 CD 两点得到幅值为 Vin/K 的直流方波电压

这个直流方波电压经过 Lf和 Cf组成的输出滤波器后成为一个平直的直流电压,其电压值为VO =D*Vin/K,其中 D 是占空比,D=2Ton/Ts,Ton 是导通时间,Ts 是开关周期
通过调节占空比D来调节输出电压 VO
这种基本的全桥 PWM 开关变换器中,开关管对称导通,工作在硬开关状态

以上内容由大学时代综合整理自互联网,实际情况请以官方资料为准。